E-mail: ventas@gidi-chain.com

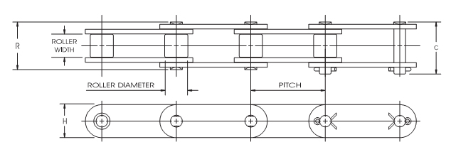
Descripciones y dimensiones de la cadena

2019-03-15 15:36:38

Cadena de rodillos transportadores de doble paso

Producido según ASME / ANSI B29.4, estos cadenas Se utilizan en transportadores cuando las cargas son bajas y las velocidades moderadas. Son similares a los de doble paso. Cadenas de transmisión de energía, pero con placas de enlace que tienen un contorno ovalado y pueden producirse con rodillos estándar o de gran tamaño. La mayoría de las veces se encuentran trabajando en transportadores de todas las formas y tamaños y se pueden suministrar con uno o más de nuestros muchos accesorios para transportar o transmitir productos.
201407080609413972.jpg
201407080609537289.jpg
201407080610052172.jpg
201407080610189050.jpg